Discussion:
RC5500 Crown

Good morning
I just received a new RC5500
It came with left-hand steering
Is it possible to make it right-hand?

Kindly appreciate any advice
Regards,
Ram,
  • Posted 17 Oct 2025 22:05
  • By RamKhudan
  • joined 4 Feb'21 - 56 messages
  • Curacao
Ram
ramkhudan@gmail.com
Showing items 1 - 3 of 3 results.
Hi thank you very much, I will switch the hydraulic hose.

Sorry I ment to switch the direction the wheel turns when turning the tiller clockwise or counter-clockwise.

Appreciate thank you again
  • Posted 18 Oct 2025 03:01
  • By RamKhudan
  • joined 4 Feb'21 - 56 messages
  • Curacao
Ram
ramkhudan@gmail.com
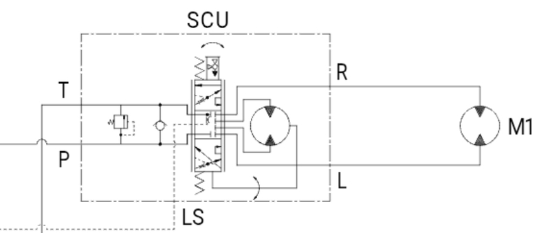
If you are asking if it is possible to change the direction the operator stands, operating the steer tiller with the right hand and the function handle with the left hand, then no there is no option for that.
If you want to switch the direction the wheel turns when turning the tiller clockwise or counter-clockwise there is:
You need to swap hoses B and C of the steering torque converter under the steer tiller.
You can also swap the hoses at the actual steering unit above the steer tires, I personally just prefer to swap the hoses at the torque converter but either option will work.
I attached a photo of the hydraulic schematics for reference if needed.
  • Posted 17 Oct 2025 22:40
  • Modified 17 Oct 2025 22:50 by poster
  • By DyslexicNerd_01
  • joined 13 Jun'23 - 226 messages
  • Wisconsin, United States
Sorry it's
Crown RC5700
  • Posted 17 Oct 2025 22:31
  • By RamKhudan
  • joined 4 Feb'21 - 56 messages
  • Curacao
Ram
ramkhudan@gmail.com

Post your Reply

Forkliftaction accepts no responsibility for forum content and requires forum participants to adhere to our rules of conduct. Click here for more information.

If you are having trouble using the Discussion Forums, please contact us for help.

Editorial calendar - planned features
CONSTRUCTION FORKLIFTS
HANDLING GOODS IN THE COLD
LOADING/UNLOADING FREIGHT
BROWNFIELD AUTOMATION
FORKLIFT ATTACHMENTS
BATTERY AFFORDABILITY AND LIFETIME
FORKLIFT SAFETY
Global Industry News
edition #1267 - 5 February 2026
In this week’s Forkliftaction News , we report on the January Logistics Managers' Index - a bellwether of the US logistics sector - which has jumped 5.4 points in a month, below the all-time average but still indicative of consistent growth... Continue reading
UN Forklift FD20-35FJM3
HANGZHOU, Zhejiang, China
New - Sale
Mitsubishi Logisnext FD25T5M
Yokohama, Japan
Used - Sale

PREMIUM business

VETTER Forks, Inc.
The world's most comprehensive product range as well as the most intelligent sensor fork for more safety and efficiency.
UN Forklift FD20-35FJM3
HANGZHOU, Zhejiang, China
New - Sale
Mitsubishi Logisnext FD25T5M
Yokohama, Japan
Used - Sale
Global Industry News
edition #1267 - 5 February 2026
In this week’s Forkliftaction News , we report on the January Logistics Managers' Index - a bellwether of the US logistics sector - which has jumped 5.4 points in a month, below the all-time average but still indicative of consistent growth... Continue reading
Editorial calendar - planned features
CONSTRUCTION FORKLIFTS
HANDLING GOODS IN THE COLD
LOADING/UNLOADING FREIGHT
BROWNFIELD AUTOMATION
FORKLIFT ATTACHMENTS
BATTERY AFFORDABILITY AND LIFETIME
FORKLIFT SAFETY