Discussion:
LDC-25/10FS12

Hi everyone:
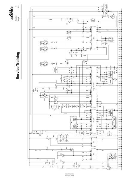
I need manual and pinouts wiring for linde LDC-25/10FS12 controller and how can I test in workshop and test running with lamp ?
Thanks.
  • Posted 7 Nov 2025 01:52
  • By reza_u
  • joined 27 Jan'10 - 7 messages
  • middle east, Iran, Islamic Republic Of
Showing items 1 - 2 of 2 results.
Thank you very much for reply,sorry not clear photo and please tell me how can I test in workshop this controller?
  • Posted 18 Nov 2025 01:40
  • By reza_u
  • joined 27 Jan'10 - 7 messages
  • middle east, Iran, Islamic Republic Of
There is for the pinout
  • Posted 7 Nov 2025 23:06
  • By Martin2000
  • joined 25 Oct'11 - 30 messages
  • Quebec, Canada

Post your Reply

Forkliftaction accepts no responsibility for forum content and requires forum participants to adhere to our rules of conduct. Click here for more information.

If you are having trouble using the Discussion Forums, please contact us for help.

PREMIUM business

Tailift Material Handling Taiwan Co.,Ltd.
Focused simply for the new era.
Global Industry News
edition #1269 - 19 February 2026
In this week’s Forkliftaction News we look at Jungheinrich finalising the sale of its Russian subsidiary as the German giant walks away from the Soviet Union... Continue reading
Editorial calendar - planned features
CONSTRUCTION FORKLIFTS
HANDLING GOODS IN THE COLD
LOADING/UNLOADING FREIGHT
BROWNFIELD AUTOMATION
FORKLIFT ATTACHMENTS
BATTERY AFFORDABILITY AND LIFETIME
FORKLIFT SAFETY
Global Industry News
edition #1269 - 19 February 2026
In this week’s Forkliftaction News we look at Jungheinrich finalising the sale of its Russian subsidiary as the German giant walks away from the Soviet Union... Continue reading

PREMIUM business

Tailift Material Handling Taiwan Co.,Ltd.
Focused simply for the new era.
Movers & Shakers
Anneli Karkovirta Anneli Karkovirta
Executive vice president, people & culture, Konecranes
Manager - warehouse solutions and motive power, Briggs Industrial Solutions
Vice-chair, ALICE - (Alliance for Logistics Innovation through Collaboration in Europe)
Co-CEO, LIS Logistische Informationssysteme (LIS)
Upcoming industry events …
November 10-12, 2026 - Marina Bay Sands, Singapore
November 25-26, 2026 - Budapest, Hungary
November 25-27, 2026 - Jakarta, Indonesia
Movers & Shakers
Anneli Karkovirta Anneli Karkovirta
Executive vice president, people & culture, Konecranes
Manager - warehouse solutions and motive power, Briggs Industrial Solutions
Vice-chair, ALICE - (Alliance for Logistics Innovation through Collaboration in Europe)
Co-CEO, LIS Logistische Informationssysteme (LIS)